| Autore |
Discussione  |
|
|
vesparider
Nuovo Utente
Città: Bergamo
14 Messaggi |
Inserito il - 02/01/2013 : 16:38:18
|
ciao a tutti volevo chiedervi un parere, ho completato il restauro di un 50 special del 81, ho sostituito praticamente tutto l'impianto elettrico tranne i cavi che partono dallo statore alla scatola nera di connessione, motore, luci e tasto spegnimento funzionano correttamente. L'unica cosa che non funziona è il clackson, (non penso sia rotto perchè ho provato con un altro funzionante e collegandolo a questa vespa non funziona). visto che l'unica cosa chenon ho cambiato sono i cavi dello statore, può darsi chesia danneggiato il cavo verde?
qualcuno ha già avuto questo tipo di problema? se si come lo ha risolto?
vi ringrazio in anticipo Fabrizio
|
|
|
et3jeans1976
Utente Master
    

Regione: Emilia Romagna
Prov.: Bologna
Città: Bologna
8255 Messaggi |
Inserito il - 02/01/2013 : 20:07:54
|
Se quando restauri nn fai il motore e se fai il motore non fai lo statore hai per forza dei problemi di sicuro.
Ricorsa che quei cavi hanno più di 30 anni e stanno nella parte più calda della vespa, quindi come credi che siano messi?
Fai lo statore, cambia cavi e forse le bobine e avrai risolto.
Ciao |
"Il ponte sullo stretto (di Messina) è un'opera da farsi al più presto." R. Prodi 1985 Il mio vespaio: - ET3 Jeans del 1976 conservatissimo! - PX125E del 1982 restaurato! - 50 special del 1981 FINITA!!! - 125 GT del 1968, New entry. - 150 Sprint Veloce del 1977, targata BO16xxxx, New entry. - 150 VBA del 1959, targata BO10xxxx, New entry. - 150 Struzzo VL2 del 1955, targata BO11XXXX, New entry !!!!!!! FINALMENTE LIBERA Aung San Suu Kyi !!!!!!!
Immagine:
 6 KB |
 |
|
|
mimmo
Moderatore
    
Regione: Campania
Città: Sorrento
8665 Messaggi |
Inserito il - 02/01/2013 : 20:13:15
|
Se le luci funzionano lo statore non centra nulla, o come dice il Tonono nazionale non ci azzecca Hai sbagluato semplicemente qualche collegamento |

I DON`T CARE OF LESS
Ho le spalle sulla testa, io! (cit Fra2)
Dai un occhiata al mio blog e dimmi che ne pensi http://vespaebasta.blogspot.it
|
 |
|
|
sanrem
Utente Master
    

Regione: Trentino - Alto Adige
Prov.: Bolzano
Città: Vipiteno
4946 Messaggi |
Inserito il - 02/01/2013 : 20:44:06
|
| Messaggio di vesparider
ciao a tutti volevo chiedervi un parere, ho completato il restauro di un 50 special del 81, ho sostituito praticamente tutto l'impianto elettrico tranne i cavi che partono dallo statore alla scatola nera di connessione, motore, luci e tasto spegnimento funzionano correttamente. L'unica cosa che non funziona è il clackson, (non penso sia rotto perchè ho provato con un altro funzionante e collegandolo a questa vespa non funziona). visto che l'unica cosa chenon ho cambiato sono i cavi dello statore, può darsi chesia danneggiato il cavo verde?
qualcuno ha già avuto questo tipo di problema? se si come lo ha risolto?
vi ringrazio in anticipo Fabrizio
|
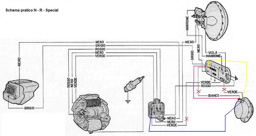
Se le lampadine funzionano , il cavo verde che esce dallo statore e arriva alla scatolina non è colpevole. Potrebbe esserlo invece quello che va dal devioluci al clacson. Controlla che sia ben crimpato il capocorda , su entrambe i capi lo stesso vale per il cavo che va dal devioluci al clacson. Sei sicuro che il devioluci funzioni ?? Potresti simulare il tutto bypassando il cavo verde e bianco che arrivano dalla scatolina e dal devioluci utilizzando dei cavi esterni e collegandoli come nello schema. Il cavo giallo simula il tasto per suonare il clacson, quindi devi attaccarlo e staccarlo per simularne la funzione. Se cos'ì funziona allora uno dei due cavi o il tasto hanno la colpa. Se invece non funziona ancora , potrebbe essere veramente il clacson !
Immagine:
 65,57 KB |
Remo "Vespapapapapa" |
 |
|
|
150
Moderatore
    

Regione: Puglia
Prov.: Foggia
Città: san severo
4256 Messaggi |
Inserito il - 04/01/2013 : 00:42:54
|
se il cicalino funzia e come dice mimmo,poi visto che hai fatto l'impianto nuovo cioè il 99% fai anche il cambio fili allo statore come ti a consigliato et3, |
 |
 |
|
|
vesparider
Nuovo Utente
Città: Bergamo
14 Messaggi |
Inserito il - 05/01/2013 : 16:20:21
|
grazie a tutti peri consigli!
proverò a baipassare i cavi per verificae se il devioluci/clackson funzionano
alla prossima Fabrizio |
 |
|
|
poeta
Moderatore
    

Prov.: Roma
Città: roma
25632 Messaggi |
Inserito il - 05/01/2013 : 18:10:15
|
| verifica il collegamento dei verdi nel fanale.... quelli che si giuntano ai fili provenienti dal devio... |
pugnodidadi |
 |
|
| |
Discussione  |
|