| Autore |
Discussione  |
|
DarioVNB1-T.S.
Utente Master
    
Regione: Emilia Romagna
Prov.: Ferrara
Città: FERRARA
2901 Messaggi |
Inserito il - 12/02/2012 : 23:45:29
|
| Defar92 ha scritto:
| poeta ha scritto:
sò bene come volete la vostra vespa!
|
Esattamente! credo che molti vespisti qui sicuramente avrebbero ragione a dire che cromature e particolari strani non si addicono ad una vespa, e poi "è solo un px" direbbero in molti, e se fossi un bravo vespista da manuale darei ragione a queste persone... Ma che ci posso fare, io voglio la mia vespa, voglio sentirla mia in ogni particolare, in ogni suo pregio ed in ogni su difetto, questa cosa l'ho capita da quando l'ho vista su quell'annuncio, i miei amici dicevano "no non prenderla, non vedi che è tutta ruggine? Spendi più soldi e te ne prendi una già pronta per correre" la testa mi diceva che sarebbe stata la soluzione migliore e la più conveniente... ma ho voluto prendere a tutti i costi quel px tutto arrugginito che io già vedevo restaurato nella mia mente, volevo smontarlo e rimontarlo tutto per capire come funzionava, com'era fatto e soprattutto farlo diventare "mio" una volta finito...
Non so forse è un discorso stupido spero che qualcuno mi capirà.
Ormai non c'e la faccio più, sono più impaziente di un bambino a natale! speriamo che in carrozzeria finiscano presto 
|
Discorso stupido? Questo è puro vangelo, perle di vespismo assoluto. Quoto riquoto e straquoto all'ennesima potenza.
 |
This is the sound of ALCHIMIA.... Come on come on baby vien chi putìna... Listen to music... And look I MAIAI. |
 |
|
|
Defar92
Utente Normale


Regione: Veneto
Prov.: Treviso
Città: Susegana
51 Messaggi |
Inserito il - 16/02/2012 : 20:32:11
|
Ecco qui l'ho trovato finalmente :)
Immagine:
 72,05 KB
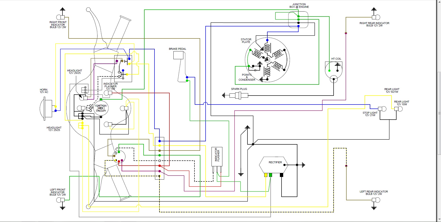
Allora visto che c'è un pò di confusione per trovare questo impianto elettrico vorrei dare una dritta a coloro che magari si trovano nella mia situazione o si troveranno:
Dunque se andate da un ricambista chiedete l'impianto elettrico per P125X con frecce, oppure cercate Bosatta Srl su internet e cercate l'articolo CAB032.
Confermo che c'è il famoso sdoppio da fare (seguite il filo verde che esce dallo statore) come si vede in questo impianto che ho trovato online e che verificando ho constatato sia una riproduzione fedele
Immagine:
 282,88 KB
Comunque è veramente facile fare questo sdoppio non vi preoccupate
Ed ecco la domanda della settimana sono in possesso del devioluci e del deviofrecce ma i cavi andrebbero sostituiti, qualcuno sa spiegarmi come si fa per cambiarli? perchè hanno una giuntura strana
Immagine:
 94,61 KB
Chiedo disperato aiuto :( |
 |
|
|
poeta
Moderatore
    

Prov.: Roma
Città: roma
25632 Messaggi |
Inserito il - 16/02/2012 : 20:47:08
|
cavolo e chi li ha mai rigeneratiq uei cavi..-- ho devioluci in ordine, non sà aiutarti, strano siano rovinati, nuovi costan poco... stesso ricambista ladro alle brutte...
E perdona la lungaggine ma ho da ricordarti ciò che scrisse un utente tanti anni fà sul forum:
" ....una vespa perchè sia veramente tua non la puoi solo comprare, bisogna combatterci per sentirla propria per potersi definire Vespisti! Ed il suo valore in vero prescinde quello del mercato, giacchè una soddisfazione pura, una seppur piccola felicità, ha sempre ben altro valore che non quello del denaro! Vespe belle quanto volete nella mani sbagliate sono vespe da TRE soldi" |
pugnodidadi |
 |
|
|
Marben
Utente Medio
 

Regione: Lombardia
Prov.: Milano
Città: Robecco sul Naviglio
474 Messaggi |
Inserito il - 16/02/2012 : 21:47:30
|
Per quel che si vede in foto i cavi sono in ottime condizioni. Semmai puoi cambiare la guaina , rimpiazzando anche i faston. I cavi non si possono cambiare, poichè sono crimpati nelle sedi di ottone fissate alla basetta del devio.
Ad ogni modo non mi sembrano da cambiare. Se anche ce ne fosse qualcuno da rivedere, puoi saldare ed isolare con guaina termoretraibile.
|
http://vespalegendteam.blogspot.it - Il blog del Vespa Legend Team
http://vespalegendteam.blogspot.it/2013/11/mostre-scambio-2014.html - Calendario delle Mostre Scambio italiane |
 |
|
|
Defar92
Utente Normale


Regione: Veneto
Prov.: Treviso
Città: Susegana
51 Messaggi |
Inserito il - 16/02/2012 : 23:16:08
|
No il problema è che quando ho smontato la vespa alcuni cavi erano già staccati, pensavo dunque ci fosse un modo per riallacciarli, per saldare intendete a stagno vero?
P.S. se dovessi prenderli nuovi mi ci vogliono altri 50 euro che sinceramente mi sembrano esagerati |
 |
|
|
Defar92
Utente Normale


Regione: Veneto
Prov.: Treviso
Città: Susegana
51 Messaggi |
Inserito il - 23/02/2012 : 00:39:50
|
Risolto ragazzi ^_^ mio cugino ha le mani d'oro ed è riuscito a ricollegare i cavi
Immagine:
 55,22 KB
Piano piano i lavori procedono e sono ad un ottimo punto! Ora non resta altro che prendere i pezzi di ricambio, pagare il carrozziere e rimontare tutto! :D :D
O cavolo... dimenticavo l'assicurazione, l'iscrizione al vespaclub e la revisione  |
 |
|
|
fede200e
Utente Master
    

Regione: Veneto
Prov.: Venezia
Città: PORTOGRUARO
5887 Messaggi |
Inserito il - 23/02/2012 : 08:09:22
|
| Marben ha scritto:
Per quel che si vede in foto i cavi sono in ottime condizioni. Semmai puoi cambiare la guaina , rimpiazzando anche i faston. I cavi non si possono cambiare, poichè sono crimpati nelle sedi di ottone fissate alla basetta del devio.
Ad ogni modo non mi sembrano da cambiare. Se anche ce ne fosse qualcuno da rivedere, puoi saldare ed isolare con guaina termoretraibile.
|
ciao, allora non è del tutto vero, io per revisionare i devio luci faccio così, con un trapano con punta sottile faccio un foro da dove arriva il filo fino davanti facendo un foro vero e proprio, poi metto il nuovo filo togliendo un centimetro abbondante di guaina e lo inserisco nel foro poi ci faccio colare delo stagno all'interno e sopra lo metto abbondante così anche se si stacca non può uscire, anche se non mi si è mai staccato!!! ciao.. |
Cerco paravento per px con staffe
usa il tasto cerca prima di fare qualsiasi domanda, e non guardare il culo del mio avatar che ti rincretinisci... |
 |
|
|
Winter89
Utente Master
    
Prov.: Bergamo
Città: darco city
5220 Messaggi |
Inserito il - 23/02/2012 : 11:51:03
|
| fede200e ha scritto:
| Marben ha scritto:
Per quel che si vede in foto i cavi sono in ottime condizioni. Semmai puoi cambiare la guaina , rimpiazzando anche i faston. I cavi non si possono cambiare, poichè sono crimpati nelle sedi di ottone fissate alla basetta del devio.
Ad ogni modo non mi sembrano da cambiare. Se anche ce ne fosse qualcuno da rivedere, puoi saldare ed isolare con guaina termoretraibile.
|
ciao, allora non è del tutto vero, io per revisionare i devio luci faccio così, con un trapano con punta sottile faccio un foro da dove arriva il filo fino davanti facendo un foro vero e proprio, poi metto il nuovo filo togliendo un centimetro abbondante di guaina e lo inserisco nel foro poi ci faccio colare delo stagno all'interno e sopra lo metto abbondante così anche se si stacca non può uscire, anche se non mi si è mai staccato!!! ciao..
|
buona idea quella dui forare con il trapano...io non c'avevo pensato! |

"nessuna vespa potrà mai essere migliore della prima vespa, e nessuna vespa è mai migliore di una special!"
GLI SPECIALISTI
|
 |
|
|
Defar92
Utente Normale


Regione: Veneto
Prov.: Treviso
Città: Susegana
51 Messaggi |
Inserito il - 23/03/2012 : 20:53:33
|
Rieccomi qui ^_^ purtroppo colpa del carrozziere i lavori vanno a rilento... neanche gli avessi portato la vespa intera da smontare...
Vabbè ormai non rimane che attendere, nel frattempo vi posto qualche foto dei progressi che ho fatto 
Cerchi cromati e copertoni pirelli SC30:
 168,15 KB
Particolare della vecchia camera d'aria con pezzi di ruggine che si sono staccati dal vecchio cerchio che ahimè ho dovuto gettare:
 194,96 KB
Libretto uso e manutenzione che ho trovato su internet (qualcuno sa dirmi dove posso acquistarne uno?):
 98,8 KB
Iscritto pure al vespa club della mia città :
 169,49 KB
Ed infine una rinfrescata alla forcella :
 193,61 KB
Come dicevo all'inizio ora è tutto fermo in attesa che il carrozziere faccia il suo dovere... tranquilli non passerà un anno, al massimo 2 settimane gli ho concesso, poi si rimonta il tutto e viaaaaaaaaaaa :)
Ah sapete dirmi se il fanale triom è buono? Perchè avrei trovato un'occasione ma prima di gettarmi imprudentemente volevo chidere a voi :)
|
 |
|
|
Luca125e
Utente Senior
   

Regione: Veneto
Prov.: Venezia
Città: CAVARZERE
1874 Messaggi |
Inserito il - 25/03/2012 : 11:51:16
|
interessante questo restauro...lo seguo  |
PX177E (arcobaleno125)
vincitore del 4° Concorso di bellezza di Vespaforever sezione Largeframe moderne 
|
 |
|
|
Defar92
Utente Normale


Regione: Veneto
Prov.: Treviso
Città: Susegana
51 Messaggi |
Inserito il - 25/03/2012 : 14:05:29
|
| Arcobaleno125 ha scritto:
interessante questo restauro...lo seguo 
|
ti ringrazio 
nn aspettatevi l'originalità di come mamma piaggio l'ha fatta xké alcune cose le voglio un po personalizzare x rendere quella vespa "mia" :) |
 |
|
|
Defar92
Utente Normale


Regione: Veneto
Prov.: Treviso
Città: Susegana
51 Messaggi |
Inserito il - 28/03/2012 : 19:41:59
|
Ecco qualche foto della vespa sverniciata ad acqua, il carrozziere mi ha detto che in questo modo la lamiera mantiene la sua fosfatizzazione, non chiedetemi cosa vuol dire 
Le metto su imageshack xk ho preso un cel nuovo ma le foto non riesco a caricarle sul forum 
http://vespaforever.net?/g/821/20120328182639.jpg/
P.S. Lasciate perdere il serbatoio... ne prenderò uno nuovo appena avrò i soldi  |
 |
|
|
Defar92
Utente Normale


Regione: Veneto
Prov.: Treviso
Città: Susegana
51 Messaggi |
Inserito il - 14/05/2012 : 23:26:37
|
Ciao Ragazzi! E' da un pò che non posto foto e non vi aggiorno ma mi perdonerete, sono stato occupato a lavorare sulla vespa e il tempo che mi porta via è davvero tanto, volevo postare qualche foto x farvi vedere i grandi progressi!
Immagine:
 70,87 KB
Immagine:
 90,89 KB
Immagine:
 131,96 KB
Immagine:
 135,54 KB
Immagine:
 148,37 KB
Immagine:
 103,92 KB
Immagine:
 107,52 KB
Immagine:
 160,75 KB
Immagine:
 154,96 KB
Immagine:
 144,16 KB
Immagine:
 130,49 KB
In verità non sono tutte le foto, ed inoltre oggi ho fatto il mio primo giro in vespa.. un'emozione straordinaria (anche se ho fatto solo 300 metri x via della mancanza di assicurazione xD)
Comunque sono pronto al 90%! Devo solo collegare qualche cavo elettrico e rimontare bauletto e nasello e poi via... Posterò altre foto solo il prossimo mese perchè per adesso non posso spendere altri soldi per comprare le ultime cose (tipo sella e marmitta) quindi ve le posterò solo quando la vespa sarà "perfetta" per essere vista da voi che immagino vogliate vedere solo il meglio per una vespa 
|
 |
|
|
fede200e
Utente Master
    

Regione: Veneto
Prov.: Venezia
Città: PORTOGRUARO
5887 Messaggi |
Inserito il - 14/05/2012 : 23:43:28
|
| già bellissima così.. complimenti, ottimo lavoro!! |
Cerco paravento per px con staffe
usa il tasto cerca prima di fare qualsiasi domanda, e non guardare il culo del mio avatar che ti rincretinisci... |
 |
|
|
Luca125e
Utente Senior
   

Regione: Veneto
Prov.: Venezia
Città: CAVARZERE
1874 Messaggi |
Inserito il - 15/05/2012 : 11:27:44
|
mi piacee  |
PX177E (arcobaleno125)
vincitore del 4° Concorso di bellezza di Vespaforever sezione Largeframe moderne 
|
 |
|
Discussione  |
|